TSUBAKI vrijloopkoppeling MDEU serie
TSUBAKI vrijloopkoppeling MDEU serie
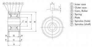
Tsubaki koppelingen uit de MDEU-serie hebben geen lagerondersteuning nodig vanwege een nokken-/rolconstructie. Ze kunnen verschillende soorten Europese koppelingen van de concurrentie vervangen. Eenvoudige installatie voor tandwielen, katrollen of tandwielen door gebruik te maken van spiralox veren op de buitenste loopring. Veel gebruikt in de lichte en middelzware industrieën.










