TSUBAKI vrijloop TFS
TSUBAKI vrijloop TFS
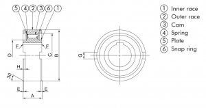
Tsubaki TFS-serie koppelingen zijn ontworpen voor perspassing installatie.
Buitenafmetingen zijn gelijk aan 63** kogellagers.
TFS-koppelingen hebben twee verticale spiebanen op de buitenste loopringen.
Het gebruik van lagerondersteuning is verplicht.










