MWM Eenschijfs elektromagnetische rem EMF/MD
MWM Eenschijfs elektromagnetische rem EMF/MD: Een rem is een apparaat dat de beweging van een roterende as binnen een bepaalde tijd stopt, vertraagd of vasthoudt, afhankelijk van de entiteit van de te remmen massa.
MWM produceert de volgende soorten remmen:
– Meerdere schijven (of multidisc) – hoofdzakelijk ontworpen voor gebruik in oliebaden of droge toepassingen met lage snelheid;
– Enkele schijf – alleen droog gebruikt.
– Remklauwremmen – wanneer de te remmen massa een groete remschijf vereist; de modulaire versies hebben een of meer remklauwen die gelijktijdig of afzonderlijk worden bediend.
Ze kunnen op de volgende manieren worden bestuurd:
– Handmatig
– Hydraulisch
– Pneumatisch
– Electromagnetisch
Ze kunnen op twee verschillende manieren werken:
POSITIEF: wanneer de besturing het noodzakelijke remeffect genereert.
NEGATIEF (met veerdruk): wanneer het effect (remmen) wordt bereikt zonder controle, waardoor de rem wordt uitgeschakeld. Deze worden voornamelijk gebruikt als nood- of blokremRem EMF / MD
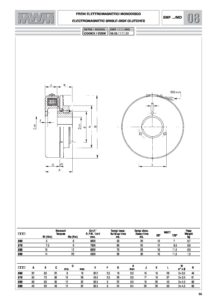
CODE: 08.05. ••• .01
EMF / MD
Elektromagnetische rem met één schijf en naaf.
Spanning 24 V DC – 0 + 15%
Gebruikt voor droge toepassingen.
Beschikt over een automatisch systeem om slijtage tussen wrijvingsoppervlakken te verminderen.
Het spoelgedeelte (1) is bevestigd op een vaste steun, terwijl de getande naaf (8) is verbonden met de te remmen roterende as.
Statische momenten (ms) van 6 tot 950 Nm.








